Bomba:
- Caudal de até 72 m3/h a 2850 rpm
- Altura manométrica até 600m a 2850 rpm
- Bomba submersível elétrica centrífuga multicelular com turbinas semiaxiais
- Acoplamento padrão NEMA
Aplicações: Bombeamento de água de poço, reservatórios, rios, lagos. Abastecimento de água, irrigação, sistemas de incêndio, aplicações industriais, sistemas de pressurização.
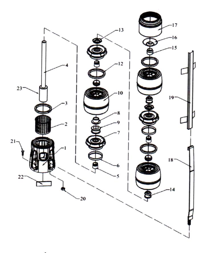
Materiais: Turbinas, difusores, exterior da bomba, corpo de descarga c/válvula, corpo de sucção e grade, correias e proteção de cabos em aço inoxidável AISI 304. Eixo da bomba em aço inoxidável AISI 431
|
![]() |
![]() |
-
X6S 10
| Modelo | Motor | Q | Capacidade | ||||||||||||
|---|---|---|---|---|---|---|---|---|---|---|---|---|---|---|---|
| l/s | 0 | 2 | 2.4 | 2.8 | 3 | 3.4 | 3.6 | 3.8 | 4 | 4.2 | 4.4 | 5 | |||
| m3/h | 0 | 7.2 | 8.6 | 10.1 | 10.8 | 12.2 | 13 | 13.7 | 14.4 | 14.4 | 15.8 | 18 | |||
| kW | HP | l/min | 0 | 120 | 144 | 168 | 180 | 204 | 216 | 228 | 240 | 240 | 264 | 300 | |
| X6S-10/08 | 4 | 5.5 | H (m) |
75 | 72 | 69 | 66 | 64 | 59 | 56 | 53 | 50 | 47 | 43 | 31 |
| X6S-10/09 | 4 | 5.5 | 85 | 81 | 78 | 74 | 71 | 66 | 63 | 60 | 56 | 52 | 48 | 35 | |
| X6S-10/10 | 4 | 5.5 | 94 | 90 | 86 | 82 | 79 | 73 | 70 | 66 | 62 | 58 | 54 | 39 | |
| X6S-10/12 | 5.5 | 7.5 | 113 | 108 | 104 | 98 | 95 | 88 | 84 | 80 | 75 | 70 | 65 | 47 | |
| X6S-10/14 | 5.5 | 7.5 | 132 | 126 | 121 | 115 | 111 | 103 | 98 | 93 | 87 | 82 | 75 | 54 | |
| X6S-10/16 | 7.5 | 10 | 151 | 144 | 138 | 131 | 127 | 117 | 112 | 106 | 100 | 93 | 86 | 62 | |
| X6S-10/18 | 7.5 | 10 | 170 | 161 | 155 | 148 | 143 | 132 | 126 | 119 | 112 | 105 | 97 | 70 | |
| X6S-10/19 | 7.5 | 10 | 179 | 170 | 164 | 156 | 151 | 140 | 133 | 126 | 119 | 111 | 102 | 74 | |
| X6S-10/21 | 9.3 | 12.5 | 198 | 188 | 181 | 172 | 167 | 154 | 147 | 139 | 131 | 122 | 113 | 85 | |
| X6S-10/23 | 9.3 | 12.5 | 217 | 206 | 199 | 189 | 183 | 169 | 161 | 153 | 144 | 134 | 124 | 89 | |
| X6S-10/24 | 9.3 | 12.5 | 226 | 215 | 207 | 197 | 191 | 176 | 168 | 159 | 150 | 140 | 129 | 93 | |
| X6S-10/26 | 11 | 15 | 245 | 233 | 224 | 213 | 206 | 191 | 182 | 173 | 162 | 151 | 140 | 101 | |
| X6S-10/28 | 11 | 15 | 264 | 251 | 242 | 230 | 222 | 206 | 196 | 186 | 175 | 163 | 151 | 109 | |
| X6S-10/30 | 11 | 15 | 283 | 269 | 259 | 246 | 238 | 220 | 210 | 199 | 187 | 175 | 161 | 117 | |
| X6S-10/33 | 13 | 17.5 | 311 | 296 | 285 | 271 | 262 | 242 | 231 | 219 | 206 | 192 | 177 | 128 | |
| X6S-10/35 | 13 | 17.5 | 330 | 314 | 302 | 287 | 278 | 257 | 245 | 232 | 219 | 204 | 188 | 136 | |
| X6S-10/37 | 13 | 20 | 349 | 332 | 319 | 303 | 294 | 272 | 259 | 246 | 231 | 216 | 199 | 144 | |
-
X6S 17
| Modelo | Motor | Q | Capacidade | ||||||||||||
|---|---|---|---|---|---|---|---|---|---|---|---|---|---|---|---|
| l/s | 0 | 2 | 2.5 | 3 | 3.5 | 4 | 4.3 | 4.5 | 5 | 5.3 | 5.5 | 6 | |||
| m3/h | 0 | 7.2 | 9 | 10.8 | 12.6 | 14.4 | 15.3 | 16.2 | 18 | 18.9 | 19.8 | 21.6 | |||
| kW | HP | l/min | 0 | 120 | 150 | 180 | 210 | 240 | 255 | 270 | 300 | 315 | 300 | 360 | |
| X6S-17/06 | 4 | 5.5 | H (m) |
68 | 65 | 64 | 61 | 58 | 55 | 52 | 50 | 45 | 42 | 39 | 33 |
| X6S-17/08 | 5.5 | 7.5 | 90 | 87 | 85 | 82 | 78 | 73 | 70 | 67 | 60 | 56 | 52 | 44 | |
| X6S-17/10 | 5.5 | 7.5 | 113 | 109 | 106 | 102 | 97 | 91 | 87 | 84 | 75 | 70 | 65 | 54 | |
| X6S-17/11 | 7.5 | 10 | 124 | 120 | 117 | 113 | 107 | 100 | 96 | 92 | 82 | 77 | 71 | 60 | |
| X6S-17/13 | 7.5 | 10 | 147 | 142 | 138 | 133 | 127 | 118 | 114 | 109 | 97 | 91 | 84 | 71 | |
| X6S-17/15 | 9.3 | 12.5 | 169 | 163 | 159 | 154 | 146 | 137 | 131 | 125 | 112 | 105 | 97 | 82 | |
| X6S-17/17 | 11 | 15 | 192 | 185 | 181 | 174 | 166 | 155 | 149 | 142 | 127 | 119 | 110 | 92 | |
| X6S-17/18 | 11 | 15 | 203 | 196 | 191 | 184 | 175 | 164 | 157 | 150 | 134 | 126 | 117 | 98 | |
| X6S-17/20 | 11 | 15 | 226 | 218 | 212 | 205 | 195 | 182 | 175 | 167 | 149 | 140 | 130 | 109 | |
| X6S-17/24 | 15 | 20 | 271 | 262 | 255 | 246 | 234 | 219 | 210 | 201 | 179 | 168 | 156 | 131 | |
| X6S-17/27 | 15 | 20 | 305 | 294 | 287 | 277 | 263 | 246 | 236 | 226 | 202 | 189 | 175 | 147 | |
| X6S-17/29 | 18.5 | 25 | 327 | 316 | 308 | 297 | 283 | 264 | 254 | 242 | 217 | 203 | 188 | 158 | |
| X6S-17/33 | 18.5 | 25 | 372 | 360 | 351 | 338 | 312 | 301 | 289 | 276 | 247 | 231 | 215 | 180 | |
| X6S-17/36 | 22 | 30 | 406 | 392 | 382 | 369 | 351 | 328 | 315 | 301 | 269 | 252 | 234 | 196 | |
| X6S-17/40 | 22 | 30 | 451 | 436 | 425 | 410 | 390 | 365 | 350 | 334 | 299 | 280 | 260 | 218 | |
| X6S-17/481 | 26 | 35 | 542 | 523 | 510 | 492 | 468 | 437 | 420 | 401 | 359 | 336 | 312 | 261 | |
| X6S-17/531 | 30 | 40 | 598 | 578 | 563 | 543 | 513 | 483 | 463 | 443 | 396 | 371 | 644 | 288 | |
| X6S-17/551 | 37 | 50 | 621 | 599 | 584 | 563 | 536 | 501 | 481 | 460 | 411 | 385 | 357 | 299 | |
-
X6S 30
| Modelo | Motor | Q | Capacidade | ||||||||||||
|---|---|---|---|---|---|---|---|---|---|---|---|---|---|---|---|
| l/s | 0 | 3 | 4 | 5 | 6 | 7 | 7.5 | 8 | 9 | 10 | 11 | 12 | |||
| m3/h | 0 | 10.8 | 14.4 | 18 | 21.6 | 25.2 | 27 | 28.8 | 32.4 | 36 | 39.6 | 43.2 | |||
| kW | HP | l/min | 0 | 180 | 240 | 300 | 360 | 420 | 450 | 480 | 540 | 600 | 660 | 720 | |
| X6S-30/04 | 4 | 5.5 | H (m) |
45 | 42 | 41 | 39 | 37 | 34 | 33 | 31 | 27 | 23 | 17 | 11 |
| X6S-30/06 | 5.5 | 7.5 | 68 | 64 | 61 | 59 | 55 | 51 | 49 | 47 | 41 | 34 | 26 | 17 | |
| X6S-30/08 | 7.5 | 10 | 90 | 85 | 82 | 78 | 74 | 69 | 66 | 62 | 54 | 45 | 35 | 23 | |
| X6S-30/11 | 9.3 | 12.5 | 124 | 117 | 113 | 108 | 102 | 94 | 90 | 85 | 75 | 62 | 48 | 32 | |
| X6S-30/13 | 11 | 15 | 147 | 138 | 133 | 127 | 120 | 111 | 106 | 101 | 88 | 74 | 57 | 37 | |
| X6S-30/15 | 13 | 17.5 | 170 | 159 | 154 | 147 | 139 | 129 | 123 | 116 | 102 | 85 | 66 | 43 | |
| X6S-30/17 | 15 | 20 | 192 | 180 | 174 | 167 | 157 | 146 | 139 | 132 | 115 | 96 | 74 | 49 | |
| X6S-30/19 | 20 | 25 | 215 | 202 | 195 | 186 | 176 | 163 | 156 | 147 | 129 | 107 | 83 | 54 | |
| X6S-30/21 | 20 | 25 | 237 | 223 | 215 | 206 | 194 | 180 | 172 | 163 | 143 | 119 | 92 | 60 | |
| X6S-30/23 | 22 | 30 | 260 | 244 | 236 | 225 | 213 | 197 | 188 | 178 | 156 | 130 | 101 | 66 | |
| X6S-30/26 | 22 | 30 | 294 | 276 | 266 | 255 | 240 | 223 | 213 | 202 | 177 | 147 | 114 | 74 | |
| X6S-30/28 | 26 | 35 | 316 | 297 | 287 | 274 | 259 | 240 | 229 | 217 | 190 | 158 | 122 | 80 | |
| X6S-30/30 | 26 | 35 | 339 | 318 | 307 | 294 | 277 | 257 | 246 | 233 | 204 | 170 | 131 | 86 | |
| X6S-30/32 | 30 | 40 | 362 | 340 | 328 | 314 | 296 | 274 | 262 | 248 | 217 | 181 | 140 | 92 | |
| X6S-30/35 | 30 | 40 | 396 | 371 | 359 | 343 | 324 | 300 | 287 | 271 | 238 | 198 | 153 | 100 | |
| X6S-30/391 | 37 | 50 | 441 | 414 | 400 | 382 | 631 | 334 | 319 | 302 | 265 | 221 | 170 | 112 | |
| X6S-30/431 | 37 | 50 | 486 | 456 | 441 | 422 | 398 | 368 | 352 | 333 | 292 | 243 | 188 | 123 | |
| X6S-30/481 | 45 | 60 | 542 | 509 | 492 | 471 | 444 | 411 | 393 | 372 | 326 | 272 | 210 | 138 | |
-
X6S 46
| Modelo | Motor | Q | Capacidade | ||||||||||||
|---|---|---|---|---|---|---|---|---|---|---|---|---|---|---|---|
| l/s | 0 | 5.3 | 6 | 7.5 | 9 | 10.5 | 12 | 13.5 | 15 | 16.5 | 17.3 | 18 | |||
| m3/h | 0 | 18.9 | 21.6 | 27 | 32.4 | 37.8 | 43.2 | 48.6 | 54 | 59.4 | 62.1 | 64.8 | |||
| kW | HP | l/min | 0 | 315 | 360 | 450 | 540 | 630 | 720 | 810 | 900 | 990 | 1035 | 1080 | |
| X6S-46/03 | 5.5 | 7.5 | H (m) |
46 | 40 | 38 | 39 | 32 | 30 | 28 | 25 | 22 | 17 | 13 | 9 |
| X6S-46/05 | 7.5 | 10 | 77 | 66 | 64 | 59 | 54 | 50 | 46 | 42 | 37 | 28 | 22 | 15 | |
| X6S-46/06 | 9.3 | 12.5 | 92 | 80 | 76 | 70 | 65 | 60 | 56 | 50 | 44 | 33 | 27 | 18 | |
| X6S-46/07 | 11 | 15 | 107 | 93 | 89 | 82 | 76 | 70 | 65 | 59 | 51 | 39 | 31 | 21 | |
| X6S-46/08 | 13 | 17.5 | 122 | 106 | 102 | 94 | 87 | 80 | 74 | 67 | 58 | 44 | 35 | 24 | |
| X6S-46/09 | 15 | 20 | 138 | 119 | 115 | 106 | 97 | 90 | 83 | 76 | 66 | 50 | 40 | 27 | |
| X6S-46/10 | 15 | 20 | 153 | 133 | 127 | 117 | 108 | 100 | 93 | 84 | 73 | 56 | 44 | 30 | |
| X6S-46/11 | 19 | 25 | 168 | 146 | 140 | 129 | 119 | 110 | 102 | 93 | 80 | 61 | 49 | 32 | |
| X6S-46/12 | 19 | 25 | 184 | 159 | 153 | 141 | 130 | 120 | 111 | 101 | 88 | 67 | 53 | 35 | |
| X6S-46/14 | 22 | 30 | 214 | 186 | 178 | 164 | 151 | 140 | 130 | 118 | 102 | 78 | 62 | 41 | |
| X6S-46/15 | 22 | 30 | 230 | 199 | 191 | 176 | 162 | 150 | 139 | 126 | 110 | 83 | 67 | 44 | |
| X6S-46/16 | 27 | 35 | 245 | 212 | 204 | 188 | 173 | 160 | 148 | 135 | 117 | 89 | 71 | 47 | |
| X6S-46/17 | 27 | 35 | 260 | 226 | 217 | 200 | 184 | 170 | 157 | 143 | 124 | 94 | 75 | 50 | |
| X6S-46/18 | 30 | 40 | 276 | 239 | 229 | 211 | 195 | 180 | 167 | 151 | 131 | 100 | 80 | 53 | |
| X6S-46/20 | 30 | 40 | 306 | 265 | 255 | 235 | 216 | 200 | 185 | 168 | 146 | 111 | 89 | 59 | |
| X6S-46/22 | 37 | 50 | 337 | 292 | 280 | 258 | 238 | 220 | 204 | 185 | 161 | 122 | 98 | 65 | |
| X6S-46/24 | 37 | 50 | 367 | 318 | 306 | 282 | 260 | 240 | 222 | 202 | 175 | 133 | 106 | 71 | |
| X6S-46/26 | 45 | 60 | 398 | 345 | 331 | 305 | 281 | 261 | 241 | 219 | 190 | 144 | 115 | 77 | |
-
X6S 60
| Modelo | Motor | Q | Capacidade | ||||||||||||
|---|---|---|---|---|---|---|---|---|---|---|---|---|---|---|---|
| l/s | 0 | 5 | 6 | 8 | 10 | 12 | 14 | 15 | 16 | 17 | 18 | 20 | |||
| m3/h | 0 | 18 | 21.6 | 28.8 | 36 | 43.2 | 50.4 | 54 | 57.6 | 61.2 | 64.8 | 72 | |||
| kW | HP | l/min | 0 | 300 | 360 | 480 | 600 | 720 | 840 | 900 | 960 | 1020 | 1080 | 1200 | |
| X6S-60/2 | 4 | 5.5 | H (m) |
27 | 25 | 24 | 23 | 21 | 19 | 18 | 17 | 16 | 15 | 13 | 9 |
| X6S-60/3 | 5.5 | 7.5 | 41 | 38 | 37 | 34 | 31 | 29 | 27 | 25 | 24 | 22 | 20 | 14 | |
| X6S-60/4 | 7.5 | 10 | 55 | 51 | 49 | 45 | 42 | 39 | 36 | 34 | 32 | 29 | 26 | 18 | |
| X6S-60/5 | 9.3 | 12.5 | 68 | 63 | 61 | 57 | 52 | 48 | 44 | 42 | 40 | 37 | 33 | 23 | |
| X6S-60/6 | 11 | 15 | 82 | 76 | 73 | 68 | 63 | 58 | 53 | 51 | 47 | 44 | 39 | 27 | |
| X6S-60/7 | 13 | 17.5 | 95 | 88 | 86 | 79 | 73 | 68 | 62 | 59 | 55 | 51 | 46 | 32 | |
| X6S-60/8 | 15 | 20 | 109 | 101 | 98 | 91 | 84 | 78 | 71 | 67 | 63 | 58 | 52 | 36 | |
| X6S-60/9 | 19 | 25 | 123 | 114 | 110 | 102 | 94 | 57 | 80 | 76 | 71 | 66 | 59 | 41 | |
| X6S-60/10 | 19 | 25 | 136 | 126 | 122 | 113 | 105 | 97 | 89 | 84 | 79 | 73 | 66 | 45 | |
| X6S-60/11 | 22 | 30 | 150 | 139 | 134 | 125 | 115 | 107 | 98 | 93 | 87 | 80 | 72 | 50 | |
| X6S-60/12 | 22 | 30 | 164 | 152 | 147 | 136 | 126 | 116 | 107 | 101 | 95 | 88 | 79 | 54 | |
| X6S-60/13 | 26 | 35 | 177 | 164 | 159 | 147 | 136 | 126 | 116 | 110 | 103 | 95 | 85 | 59 | |
| X6S-60/15 | 30 | 40 | 205 | 189 | 183 | 170 | 157 | 145 | 133 | 127 | 119 | 110 | 98 | 68 | |
| X6S-60/17 | 30 | 40 | 232 | 215 | 208 | 193 | 178 | 165 | 151 | 143 | 135 | 124 | 112 | 77 | |
| X6S-60/18 | 37 | 50 | 246 | 227 | 220 | 204 | 189 | 175 | 160 | 152 | 142 | 132 | 118 | 81 | |
| X6S-60/19 | 37 | 50 | 259 | 240 | 232 | 215 | 199 | 184 | 169 | 160 | 150 | 139 | 125 | 86 | |
| X6S-60/20 | 37 | 50 | 273 | 253 | 244 | 227 | 210 | 194 | 178 | 169 | 158 | 146 | 131 | 90 | |
| X6S-60/21 | 37 | 50 | 286 | 265 | 257 | 238 | 220 | 204 | 187 | 177 | 166 | 154 | 138 | 95 | |
Mais informações na ficha técnica do produto | Preços apenas sob consulta
Categoria
Ficha Tecnica

